Bonjour à toutes et tous,
je suis en train d'aménager mon van ici aux Philippines où je réside.
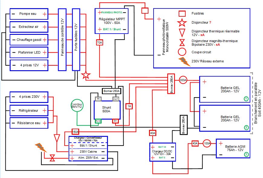
j'aimerais faire "valider" (ou pas!) mon schéma électrique (PDF ci-dessous).
Un grand merci d'avance pour votre aide.
PS: Merci de ne pas être trop technique dans vos explications, car je dois être un chouilla "électrophobe" !
Forum Camping-Car . Fourgon aménagé . Van
Entretien et Aménagement
Besoin de conseils pour entretenir et aménager votre camping-car ? Trouvez des astuces et des solutions pour améliorer le confort et la performance de votre véhicule.
Aménager son Camping-Car
Idées et conseils pour aménager : lits, rangements, cuisine, et plus encore pour optimiser votre confort sur la route.
Validation schéma électrique pour me rassurer !
-
OlivierPH101
- Nouveau membre

- Messages : 1
- Enregistré le : 30 août 2022, 05:13
Re: Validation schéma électrique pour me rassurer !
Message non lu par titusera »
Bonjour
Je vois que ton message est ancien je pense ne pas arriver trop tard
J'ai modifié sur ton pdf
Le 2em chargeur et la batterie de 75 Ah je ne vois pas bien son utilité
si les 4 prises sont en 220 le réfrigérateur et la résistance pour l'eau le sont aussi
le dijo sur le panneau de contrôle n'est pas utile il y a des fusibles
si pas de 220 le réfrigérateur fonctionne au gaz ou 12v en roulant?
l'eau chaude au gaz?
bon courage
download/file.php?mode=view&id=19211&si ... 3ad214bd56
Je vois que ton message est ancien je pense ne pas arriver trop tard
J'ai modifié sur ton pdf
Le 2em chargeur et la batterie de 75 Ah je ne vois pas bien son utilité
si les 4 prises sont en 220 le réfrigérateur et la résistance pour l'eau le sont aussi
le dijo sur le panneau de contrôle n'est pas utile il y a des fusibles
si pas de 220 le réfrigérateur fonctionne au gaz ou 12v en roulant?
l'eau chaude au gaz?
bon courage
download/file.php?mode=view&id=19211&si ... 3ad214bd56
- Fichiers joints
-
Doc2.docx- (129.64 Kio) Téléchargé 730 fois
Retourner vers « La vie du camping-car et fourgon aménagé »
Aller à
- PRESENTATION si vous le souhaitez
- ↳ Les voyageurs
- technique vie pratique
- ↳ Problème Cellule ,partie habitable
- ↳ Problème porteur,chassis,cabine
- ↳ Fourgon aménagé et van
- ↳ gps television satellite informatique wifi
- ↳ Bon plan astuce du voyageur
- ↳ La vie du camping-car et fourgon aménagé
- ↳ Dossier telechargeable vehicule loisir
- ↳ EAU
- ↳ ELECTRICITE
- ↳ GAZ
- ↳ AMENAGEMENT
- ↳ SOLAIRE
- ↳ CHAUFFAGE ISOLATION CLIMATISATION
- ↳ Les Tutos en Vidéos !!!
- ↳ PHOTO INSOLITE
- ↳ DIVERS
- ↳ applications smartphone du globe-trotter
- camping car occasion particulier
- ↳ Annonce le Boncoin je demande vos avis ici
- ↳ ACHAT.VENTE.LOCATION.ECHANGE.ACCESSOIRE
- ↳ concessionnaire vehicule loisir
- carnet de voyage
- ↳ Les astuces et conseils de voyage
- ↳ PAYS
- ↳ ... FRANCE ...
- ↳ ... Alsace-Lorraine ...
- ↳ ... Aquitaine ...
- ↳ ... Auvergne ...
- ↳ ... Bourgogne ...
- ↳ ... Bretagne ...
- ↳ ... Centre ...
- ↳ ... Champagne-Ardennes ...
- ↳ ... Franche Comte ...
- ↳ ... Ile de France ...
- ↳ ... Languedoc Roussillon ...
- ↳ ... Limousin ...
- ↳ ... Midi Pyrenees ...
- ↳ Nord Pas de Calais
- ↳ ... Normandie ...
- ↳ ... Pays de la Loire ...
- ↳ ... Picardie ...
- ↳ ... Poitou Charentes ...
- ↳ ... Provence Cote d'Azur et Corse ...
- ↳ ... autres pays ...
- ↳ ... croatie ...
- ↳ ... Espagne ...
- ↳ ... Grèce ...
- ↳ ... Portugal ...
- divers
- ↳ La cuisine en camping-car
- ↳ LES RECETTES DU CAMPING-CARISTE
- la vie du voyageur en camping-car et fourgon aménagé
- ↳ LEGISLATION
- ↳ coup de chapeau: aire camping-car garage etc...
- ↳ coup de gueule :commune autocaravane vendeur etc..
- ↳ Les cyclistes du forum
- ↳ alerte vol maison itinérante
- ↳ Votre motorhome
- ↳ test
- ↳ Sondage
- ↳ Partenaire
- divertir monde du loisir
- ↳ LE BAR DU FORUM
- ↳ ASSISTANCE TECHNIQUE SUR LE FORUM
- ↳ VIDEOS
- Accueil Index du forum
- Heures au format UTC+02:00
- Supprimer les cookies
- Nous contacter
Développé par phpBB® Forum Software © phpBB Limited
Traduit par phpBB-fr.com